电力电子技术之三相电压型逆变电路

点击次数:   更新时间:2017-06-16 19:39     来源:未知 分    享:
 三个单相逆变电路可组合成一个三相逆变电路。
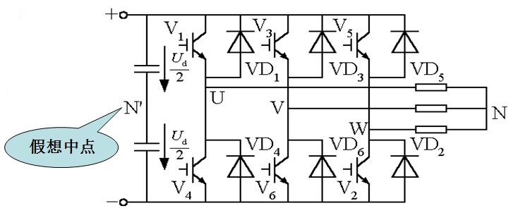
三相桥式逆变电路
◆基本工作方式是180°导电方式。
◆同一相(即同一半桥)上下两臂交替导电,各相开始导电的角度差120 °,任一瞬间有三个桥臂同时导通。
◆每次换流都是在同一相上下两臂之间进行,也称为纵向换流。

三相电压型桥式逆变电路
上海育仰科教设备有限公司
联系人:张经理
联系电话:15216837090
公司电话:021-60766769
公司地址:上海市嘉定区鹤旋路26弄22号