任务:
一、叠加原理和戴维南定理(C类)
(1)完成叠加原理的测量与验证

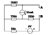
按下图所示电路连线,分别测量各电源单独作用及所有电源共同作用时的UAB和IAB,记入表1。
表1 叠加定理的测量
测量值
条件 |
UAB(V) |
IAB(mA) |
|
US单独作用 |
|
|
|
IS单独作用 |
|
|
|
US和IS共同作用 |
|
|
(2 )完成戴维南等效电路的测量
按下图所示电路连线,测出UOC和ISC,记入表2

表2 戴维南等效电路的测量
|
UOC(V) |
ISC(mA) |
RO( ) |
RO(万用表) |
|
|
|
|
|
|
|
|
|
二、验证戴维南定理(B类)
分别测量原电路与戴维南等效电路的外特性,将数据填入自行设计的表格中,作出外特性曲线,并比较两条曲线,从而验证戴维南定理是否正确。
三、最大功率传输定理的验证(A类)
测量负载RL取不同值时负载所获得的功率,并与RL=RO时的功率值做比较。将数据填入自行设计的表格中,并验证最大功率传输定理。