信号与系统实验箱--二阶电路传输特性实验

点击次数:   更新时间:2017-06-12 10:18     来源:未知 分    享:
 一、实验目的
1、了解二阶有源滤波网络的结构组成及电路传输特性;
2、了解负阻抗在串联振荡电路中的应用。
二、实验原理说明
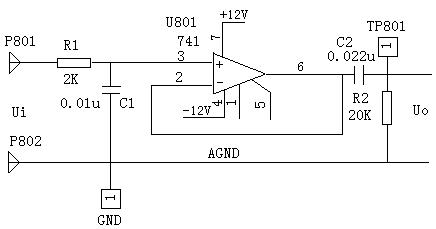
1、二阶有源带通滤波网络如图8-1所示。

图8-1 二阶有源带通滤波网络
其系统转移函数为:

带通滤波器的幅频特性如图8-2所示。

图8-2 带通滤波器的幅频特性
即在低频端,主要由R2、C2的高通特性起作用;在高频端,则由R1、C1的低通特性起作用;在中频段,C1相当于开路,C2相当于短路,它们都不起作用,输入信号Ui经运算放大器后送往输出端,由此形成其带通滤波特性。
2、负阻抗在串联振荡电路中的应用
在实验七“二阶电路的暂态响应”实验中,已知RLC串联电路工作于欠阻尼状态时,其输出电压Uc(t)波形是一个衰减振荡波形。若此时电路中电阻R=0,则输出电压Uc(t)波形应当是一个等幅振荡波形。由于电路中电感L一般存在着较大的损耗电阻,因此,必须在电路中加上相同的负阻抗,使电路中的总电阻为0。实际电路如图8-3所示。

图8-3 负阻抗在RLC串联振荡电路中的应用
三、实验内容
1、测量一个有源带通滤波器的幅频特性
①由函数发生器产生一个幅度为3V的正弦波。
②连接H701端与P801。
③按图8-1接好电路,将示波器接于TP801。
④调节函数发生器的频率旋钮,改变频率值,频率范围为100Hz-10KHz。
⑤把测量的数据填入8-1中,并绘出带通滤波器的幅频特性曲线。
表8-1 测试数据

其中,fp1、fp2为截止频率的理论值;f'p1、f'p2为载止频率的实测值。
2、负阻抗在串联振荡电路中的应用
①函数发生器产生一个频率为500Hz,幅度为2V的方波。
②连接H701端与P803。
③按图8-3接好电路,将示波器接于TP807。
④调节电位器(10K)的阻值。
⑤观察并记录示波器上波形的变化。
四、实验报告要求
填写各项实验任务的数据表格,描绘幅频特性曲线,并分析实验结果。
五、实验设备
1、双踪示波器1台
2、YUY-XH3信号与系统实验箱1台
上海育仰科教设备有限公司
联系人:张经理
联系电话:15216837090
公司电话:021-60766769
公司地址:上海市嘉定区鹤旋路26弄22号